| Sign In | Join Free | My wpc-board.com |
|
Brand Name : PHCONN
Model Number : RML-050J-08F0-GY-MN
Certification : IATF 16949 ISO 9001
Place of Origin : China
MOQ : MOQ 500- 5KPCS
Price : USD 1.0 ~ 1.5 PCS
Payment Terms : T/T, L/C, D/A, D/P
Supply Ability : 2,000,000pcs/Month
Delivery Time : 3-30 work days
Packaging Details : 80 pcs in 1 tray,7 tray in 1 small carton, which is 31.5*24*19 CM,2 Small carton in a big carton which is 51*32.5*21 CM 8.6 KGS (1120 pcs) of each big carton
shield Material : Brass Alloy
terminal : Phosphor Copper
application : 1 port 10/100/1000 base-t
Led : Yellow , Green , Red , Blue Option
OEM/ODM : OEM Service Offered Design Service Offered Buyer Label Offered
Plating : Gold Or Nickel
Port : Single
Coil Number : Autotransformer
RJ45 Ethernet Jack Side Entry Jack Vertical Integrated 10 / 100 / 1000 Magnetics
Spectifications
| 1.Characteristics: | 1)RJ45 Connector with integrated transformer/common mode choke |
| 2)Available in SMD, THT and THT with USB | |
| 3)350µH min. OCL with 8mA bias | |
| 4)Complies with IEEE 802.3 | |
| 5)Extended temperature range -40°C to +85°C available | |
| 6)PoE/ PoE+ | |
| 2. Operation/Application: | 1)xDSL Modems |
| 2)Embedded PC | |
| 3)LAN Applications | |
| 4)Hub, Router, Switches | |
| 3. Electrical Characteristics: | |
| 1) Shielded | With/Without |
Feature:
1. Complies with IEEE standards and all 10/100 Ethernet specificatons including 350uH with 8MA DC bias
2. Contact:Phosphor Bronze, 6u-inch gold flashed unless specified
3. Housing:Thermoplastic LCP UL94V-0 rated
4. Operating Temperature:0℃ --70℃
5. Storage temperature:-40℃--85℃
Peak reflow temperature rating 245℃
1. Minimum1500Vrms isolation perIeee 802.3requirement
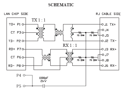
Electrical Specifications:
1. Turns Ratio:Tx & Rx+1:1±5%
2. Insertion Loss:1-30MHz:-1.0dB Max
3. Return Loss:1-30MHz:-16dB Min; 60-80MHz:12dB Min
4. Common Mode Rejection:1-100MHz:-30dB Min;200MHz:-20dB Min
5. Crosstalk:1-100MHz:-30dB Min
6. OCL:100KHz,0.1V,8MADC:350uH Min
7. Hi-Pot:1500VAC,1mA,1Sec
Lead-free process,compliant RoHS
Drawing
RJ45 Ethernet Jack Side Entry Jack Vertical Integrated 10 / 100 / 1000 Magnetics (PHC)
Line Drawing

LED

Why Choose PengHui
Quality :
World’s Leader supplier of Integrated RJ45 Connector and PCB connector
Except the plating ,From Design tooling, stamping ,Injection molding, assemble, Testing , packing .All the step are
doing by ourself. So we can control the quality.
1. Manufactured under strict controls.
2. ISO 9001:2008
3. UL Certification
4. Reach Cetitifaction
5. RoHS compliance
6. OEM for PULSE
7. Active Environmental policy
8. Every module tested 3times (not just batch tested)

Unit Price
Charge only 35~60% of Pulse ,(Midcom), Bothhand Belfuse, Tyco, Halo,....Etc
All the step are doing by ourself. So we can control the cost
PHC have more than 30 units automation equipments to product as possible
PHC consists of 3 subordinations , located partly in Hunan ,Hubei ,Guangdong (HQ)
With large scale of production lines, we can reach to cost reduction at the most extent
Design&Technical strength
We have many more than 20years experience in connector industry engineer can support your new
project.Design a new tooling time:30-45 workdays
Production&Testing
PHC have more than 30 units automation equipments to product as possible
PHC Every Magnetic RJ45 tested 3times (not just batch tested)
PHC Every SMT part used Automation testing and packing.
Metal And Terminal Stamping ; Plastic Injection
Service
PHC Offer good pre-sales & after-sales service &Strong technical support
1) New Project: Strong technical and ideal support your new design
2) Existing projects: Try to help customer to save the cost to offer the good quality product and save
3) time.
4) Free Samples:3-5 PCS of each part number
5) Shipping Fee :We can get 80% off from DHL/UPS/TNT/FedEx, keeping safe and fast.
6) Customer complaint:24-48 hours reply 8D report
7) Warranty : 24 months ( Merchandise are promised to be promptly returned, replacement,,or repair
8) kits if customers are not satisfied)
Main Customers



Wish To Be Your Best Supplier and Supporter In Your Lan connector Solutions
------------- PHC Sales & Support Team
|
|
Shield RJ45 Ethernet Jack 10 / 100 / 1000 Ethernet Interface Tab up Modular Jack Images |